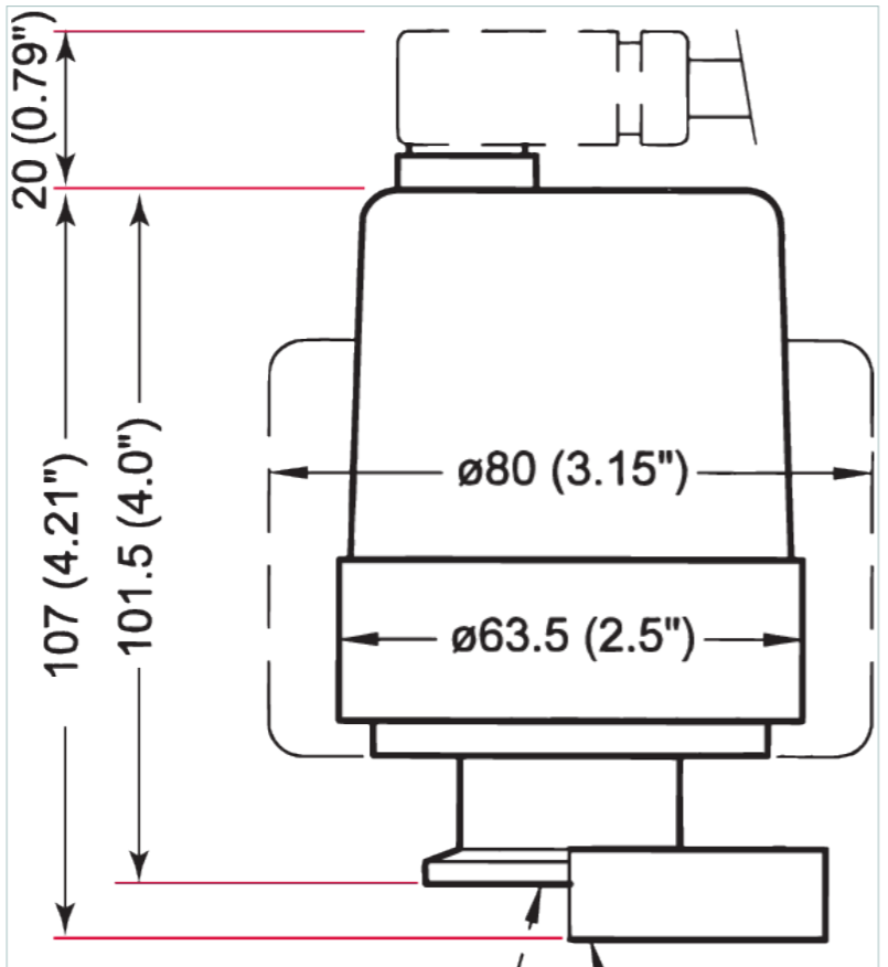
IKR 270, 金属密封, DN 40 CF-F
订单号: PT R21 251
· 冷阴极(反磁控管)
· 坚固且可靠
· 耐空气渗透
· 耐腐蚀
· 法兰尺寸 DN 40 CF-F
· 适用于惰性气体的压力和温度范围 < 55 °C
由于汇率波动或材料成本波动因素,实际当前售价请联系我司销售人员。
玺词真空设备(上海)有限公司 成立于2016年,致力于进口真空品牌的代理销售、售后服务、技术咨询和设计、提供完整的真空应用解决方案。



q
站内搜索
|
普发 IKR 270 真空计
详细信息 IKR 270, 金属密封, DN 40 CF-F 订单号: PT R21 251 · 冷阴极(反磁控管) · 坚固且可靠 · 耐空气渗透 · 耐腐蚀 · 法兰尺寸 DN 40 CF-F · 适用于惰性气体的压力和温度范围 < 55 °C 由于汇率波动或材料成本波动因素,实际当前售价请联系我司销售人员。 玺词真空设备(上海)有限公司 成立于2016年,致力于进口真空品牌的代理销售、售后服务、技术咨询和设计、提供完整的真空应用解决方案。
|